

结构特点:
LQ41X-1型两通切换阀(上切换),由四通体、阀座、阀塞、阀杆、密封圈等零件组成。阀杆连带阀塞上下运动,实现阀门的启闭切换。阀座上装有硅橡胶密封圈。本阀的驱动可采用气缸、油缸、电动推杆等不同的操作方式。阀杆只做直线运动,其行程和推力见注。驱动装置由用户自备,也可提出要求做特殊订货处理。
主要结构尺寸:

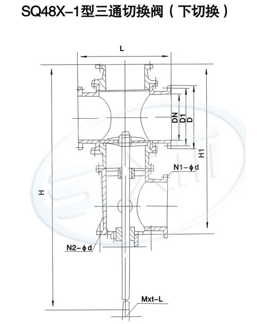
结构特点:
SQ48X-1型三通切换阀(又称:下切换阀),由四通体、阀座、阀塞、阀杆、密封圈等零件组成。阀杆连带阀塞上下运动,实现阀门的启闭。上下阀座上装有硅橡胶密封圈,分别封闭上下两通。本阀的驱动可采用气缸、油缸、电动推杆等不同的操作方式。阀杆只做直线运动,其行程和推力见注。驱动装置用户自备,也可提出求做特殊订货处理。
产品概述:
本系列切换阀有上、下切换,三通切换等形式。用于两条以上平行或交叉管路中介质流向的切换,其启闭件根据不同的切换方式采用阀塞式和蝶板式。具有密封可靠,动作准确,切换速度快等特点。本系列切换阀主要用于高炉干式布袋除尘系统的介质控制。可以一套系统供两座高炉使用。本阀也可以用于有色冶金、水泥、化工、电力等燃气、空气管路的控制系统。
主要性能规范:
主要零件材料:
主要结构尺寸